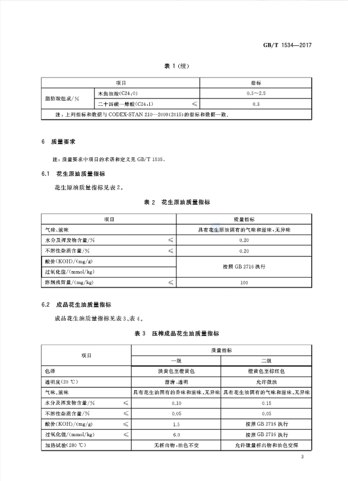
花生油(peanut oil)淡黃透明,色澤清亮,氣味芬芳,滋味可口,是一種比較容易消化的食用油;ㄉ秃伙柡椭舅80%以上(其中含油酸41.2%,亞油酸37.6%)。另外還含有軟脂酸,硬脂酸和花生酸等飽和脂肪酸19.9%。花生油的脂肪酸構(gòu)成是比較好的,易于人體消化吸收;ㄉ蛧覙藴(GB/T 1534-2017)如下









全國咨詢熱線:13523710589 手機:13523710589(王經(jīng)理)
郵箱:920274846@qq.com 地址:河南-鄭州-黃河糧油機械裝備基地


訪問手機端 微信客服